8 (843) 210-14-24 Бесплатный звонок по РФ

Самовсасывающий насос Varisco JE 2-120 G10 NT20

Под заказ
Самовсасывающие насосы Varisco сочетает в себе надежность, высокую производительность и удобство обслуживания. Это идеальный выбор для работы с абразивными, загрязненными и вязкими жидкостями в самых сложных условиях эксплуатации.
Производительность м³/ч 0-44
Напор м 20÷6

Самовсасывающий насос Varisco JE 2-120 G10 NT20: надежное решение для сложных задач

Самовсасывающий центробежный насос Varisco JE 2-120 G10 NT20 предназначен для работы в условиях, требующих высокой глубины всасывания и возможности перекачки жидкостей с высоким содержанием песка, грязи и твердых частиц. Это универсальное оборудование, которое идеально подходит для сложных промышленных задач, очистки сточных вод, сельского хозяйства и других областей.

Насос оснащен полуоткрытым рабочим колесом из высокопрочного чугуна, что обеспечивает стойкость к абразивным жидкостям и твердым фракциям. Благодаря съемной передней крышке доступ к рабочему колесу для очистки или осмотра осуществляется быстро и удобно.

Ключевые характеристики:

  • Глубина всасывания: до 7,5 метров без обратного клапана.
  • Размер твердых частиц: до 76 мм.
  • Материалы: чугун, закаленный чугун, нержавеющая сталь.
  • Пропускная способность: до 1200 м³/ч.
  • Напор: до 110 метров.

Преимущества Varisco серии JE NT20:

  1. Эффективное самовсасывание: Быстрая работа без необходимости установки донного обратного клапана.
  2. Устойчивость к абразивным жидкостям: Полуоткрытое рабочее колесо и компенсационная пластина из закаленного чугуна обеспечивают надежную работу даже с твердыми частицами.
  3. Простота обслуживания: Съемная передняя крышка обеспечивает легкий доступ к рабочему колесу для осмотра, замены или очистки.
  4. Управление вязкими жидкостями: Насос справляется с жидкостями вязкостью до 50 мм²/с (сСт), а при необходимости можно адаптировать его для густых смесей и шламов.
  5. Экономичность: Использование инвертора PSDrive® позволяет регулировать скорость двигателя, снижая энергозатраты и увеличивая срок службы насоса.
  6. Гибкость применения: Подходит для работы с отходами, абразивными и загрязненными жидкостями.

Области применения:

  • Промышленность (включая обработку отходов и сточных вод).
  • Сельское хозяйство и фермерство.
  • Очистные сооружения сточных вод.
  • Военно-морская отрасль.
  • OEM-приложения.

Особенности технологии PSDrive®:

Varisco PSDrive® — это интеллектуальный инвертор, устанавливаемый непосредственно на двигатель насоса. Он обеспечивает:

  • Экономию энергии благодаря регулировке скорости двигателя.
  • Увеличение срока службы за счет защиты от перегрузок.
  • Удобный ввод в эксплуатацию с помощью мастера настройки.
  • Простоту управления через приложение Varisco PSDrive с поддержкой Bluetooth® SMART.

Заключение

Самовсасывающие насосы Varisco сочетает в себе надежность, высокую производительность и удобство обслуживания. Это идеальный выбор для работы с абразивными, загрязненными и вязкими жидкостями в самых сложных условиях эксплуатации.

2.webp

Преимущества бренда

Высокая технологичность и инновации
Varisco активно инвестирует в исследования и разработки, проводя испытания в специализированном Центре исследований и разработок.
Широкий ассортимент и надёжность оборудования
Компания производит самовсасывающие центробежные и объёмные насосы, включая модели для работы с высоковязкими жидкостями и противопожарные устройства.
Квалифицированная техническая поддержка
Команда специалистов Varisco сопровождает клиентов на всех этапах: от подбора оборудования до установки и обслуживания через сеть коммерческих и сервисных партнёров.

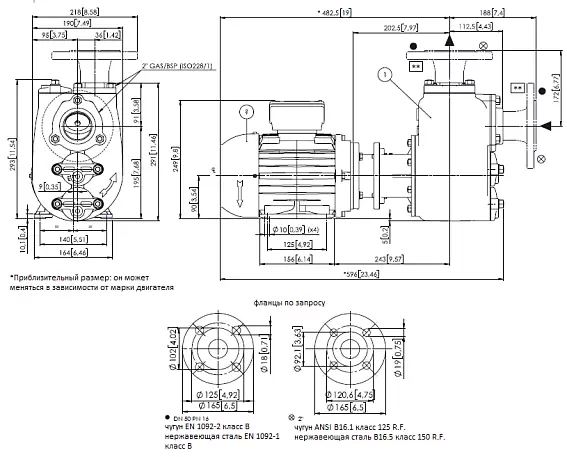
Технические характеристики:

Модель Самовсасывающий насос Varisco JE 2-120 G10 NT20
Производитель VARISCO
Частицы мм 25
Напор, м 20÷6
Мощность, кВт 2.2
Тип установки Горизонтальный
Подача м3/ч 0-44
Серия JE
Комплектация Без поплавка
Тип насоса Дренажный
Тип жидкости Для грязной воды
Страна производства Италия
Брошюра с каталогом аксессуаров VARISCO
1.47 МБ, PDF, 14.04.2026
Брошюра с каталогом оборудования серии J VARISCO
4.22 МБ, PDF, 14.04.2026

Нужна помощь?

Задайте вопрос — вам ответит наш категорийный менеджер

Здесь пока нет вопросов

Будьте первым, напишите свой вопрос!

Отзывы

Пока отзывов нет