8 (843) 210-14-24 Бесплатный звонок по РФ

Разборный теплообменник Ридан НН№41 ДУ 150

В зависимости от области использования предлагаются сборные пластинчатые теплообменники с полусваренными пластинами, с каналами типа "Free flow", выполненные в соответствии с гигиеническими нормами, а также устройства для испарения и конденсации.
Рабочая температура сред,°С от -25 до +180
Рабочее давление, бар до 25
Материал прокладок EPDM, Nitril, Viton и их модификации
Материал пластин AISI 304, AISI 316L, SMO 254, Titan, C-276 и другие
Теплоноситель вода, пар, углеводороды, кислоты, пищевые жидкости и другие

Разборный теплообменник Ридан НН№41 ДУ 150

Разборные пластинчатые теплообменники (РПТО) могут быть разработаны в полном соответствии с вашими потребностями. В зависимости от области применения предлагаются различные варианты разборных пластинчатых теплообменников: с полусваренными пластинами, с широкими каналами типа "Free flow", в специализированном гигиеническом исполнении, а также испарители и конденсаторы.

Теплообменники зарекомендовали себя как символ надежности и высокого качества. За почти три десятилетия производства было осуществлено множество проектов по всей стране.

Когда нагрузка на уже установленные теплообменники увеличивается, вместо того чтобы приобретать новое оборудование, можно просто добавить дополнительные пластины к текущей системе.

Рабочая температура сред,°С от -25 до +180
Рабочее давление, бар до 25
Материал прокладок EPDM, Nitril, Viton и их модификации
Материал пластин AISI 304, AISI 316L, SMO 254, Titan, C-276 и другие
Теплоноситель вода, пар, углеводороды, кислоты, пищевые жидкости и другие

phe_41-42_pn16_i_img_1_small.png

Преимущества бренда

Гарантия качества продукции
Производство Ридан придерживается требований международных стандартов качества как в производстве, так и в выборе поставщиков и экологии.
Снижение энергопотребления в России
От 30 до 40 % тепловой энергии экономят жители домов, в которых установлены энергосберегающие решения Ридан.
Разработка новых продуктов и ПО
Научно-исследовательская база компании включает сертифицированные лаборатории, испытательные стенды и главное — высококвалифицированных специалистов, благодаря которым решения Ридан одинаково эффективны и надежны и на Дальнем Востоке, и в Краснодарском крае.
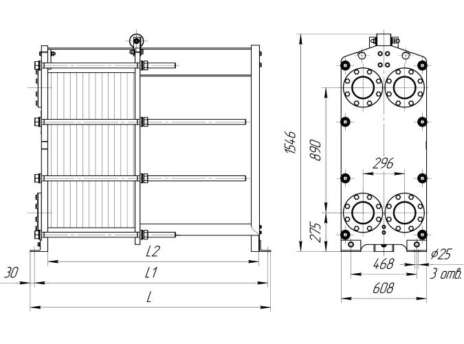
Тип теплообменника № рамы Размеры, мм (Ширина / Высота / Глубина) Стяжные шпильки - Размер Стяжные шпильки - Кол-во, шт. Кол-во пластин, шт. (НН№41) Кол-во пластин, шт. (НН№42) Макс. масса, кг.
НН№41 общепромышленное/ специальное исполнение (1,0 МПа) 1 608 / 1546 / 805 М36 8 11-68 11-55 660
2 608 / 1546 / 1205 М36 8 69-115 56-93 770
3 608 / 1546 / 1705 М36 8 116-207 94-165 960
4 608 / 1546 / 2205 М36 8 208-300 166-240 1170
5 608 / 1546 / 2705 М36 8 301-392 241-312 1360
6 608 / 1546 / 3205 М36 8 393-485 313-385 1560
НН№41 общепромышленное/ специальное исполнение (1,6 МПа) 1 608 / 1546 / 815 М36 8 11-68 11-55 815
2 608 / 1546 / 1215 М36 8 69-115 56-93 940
3 608 / 1546 / 1715 М36 8 116-207 94-165 1170
4 608 / 1546 / 2215 М36 8 208-300 166-240 1410
5 608 / 1546 / 2715 М36 8 301-392 241-312 1640
6 608 / 1546 / 3215 М36 8 393-485 313-385 1870
Сертификат ТР ТС Ридан НН 032
0.62 МБ, PDF, 14.04.2026
Сертификат ЕАЭС Ридан НН 010
0.31 МБ, PDF, 14.04.2026
Руководство по эксплуатации Ридан РПТО
1.7 МБ, PDF, 14.04.2026
Каталог Ридан РПТО
2.64 МБ, PDF, 14.04.2026

Нужна помощь?

Задайте вопрос — вам ответит наш категорийный менеджер

Здесь пока нет вопросов

Будьте первым, напишите свой вопрос!

Отзывы

Пока отзывов нет