8 (843) 210-14-24 Бесплатный звонок по РФ

Разборный теплообменник Ридан НН№65 ДУ 200

В зависимости от области использования предлагаются сборные пластинчатые теплообменники с полусваренными пластинами, с каналами типа "Free flow", выполненные в соответствии с гигиеническими нормами, а также устройства для испарения и конденсации.
Рабочая температура сред,°С от -25 до +180
Рабочее давление, бар до 25
Материал прокладок EPDM, Nitril, Viton и их модификации
Материал пластин AISI 304, AISI 316L, SMO 254, Titan, C-276 и другие
Теплоноситель вода, пар, углеводороды, кислоты, пищевые жидкости и другие

Разборный теплообменник Ридан НН№65 ДУ 200

Разборные пластинчатые теплообменники (РПТО) могут быть разработаны в полном соответствии с вашими потребностями. В зависимости от области применения предлагаются различные варианты разборных пластинчатых теплообменников: с полусваренными пластинами, с широкими каналами типа "Free flow", в специализированном гигиеническом исполнении, а также испарители и конденсаторы.

Теплообменники зарекомендовали себя как символ надежности и высокого качества. За почти три десятилетия производства было осуществлено множество проектов по всей стране.

Когда нагрузка на уже установленные теплообменники увеличивается, вместо того чтобы приобретать новое оборудование, можно просто добавить дополнительные пластины к текущей системе.

Рабочая температура сред,°С от -25 до +180
Рабочее давление, бар до 25
Материал прокладок EPDM, Nitril, Viton и их модификации
Материал пластин AISI 304, AISI 316L, SMO 254, Titan, C-276 и другие
Теплоноситель вода, пар, углеводороды, кислоты, пищевые жидкости и другие

phe_65_pn16_i_img_1_small.png

Преимущества бренда

Гарантия качества продукции
Производство Ридан придерживается требований международных стандартов качества как в производстве, так и в выборе поставщиков и экологии.
Снижение энергопотребления в России
От 30 до 40 % тепловой энергии экономят жители домов, в которых установлены энергосберегающие решения Ридан.
Разработка новых продуктов и ПО
Научно-исследовательская база компании включает сертифицированные лаборатории, испытательные стенды и главное — высококвалифицированных специалистов, благодаря которым решения Ридан одинаково эффективны и надежны и на Дальнем Востоке, и в Краснодарском крае.
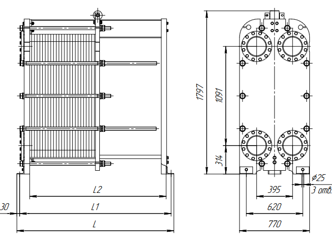
Тип теплообменника № рамы Размеры, мм (Ширина / Высота / Глубина) Стяжные шпильки - Размер Стяжные шпильки - Кол-во, шт. Кол-во пластин, шт. Макс. масса, кг
НН№65 общепромышленное/ специальное исполнение (1,0 МПа) 1 770 / 1797 / 825 М36 8 11-50 1230
2 770 / 1797 / 1225 М36 8 51-120 1520
3 770 / 1797 / 1725 М36 8 121-210 1900
4 770 / 1797 / 2225 М36 8 211-300 2280
5 770 / 1797 / 2725 М36 8 301-390 2670
6 770 / 1797 / 3225 М36 8 391-480 3050
7 770 / 1797 / 4225 М36 8 481-660 3810
НН№65 общепромышленное/ специальное исполнение (1,6 МПа) 1 770 / 1797 / 835 М36 10 11-50 1550
2 770 / 1797 / 1235 М36 10 51-120 1900
3 770 / 1797 / 1735 М36 10 121-210 2340
4 770 / 1797 / 2235 М36 10 211-300 2800
5 770 / 1797 / 2735 М36 10 301-390 3260
6 770 / 1797 / 3235 М36 10 391-480 2720
7 770 / 1797 / 4235 М36 10 481-660 4610
Сертификат ТР ТС Ридан НН 032
0.62 МБ, PDF, 14.04.2026
Сертификат ЕАЭС Ридан НН 010
0.31 МБ, PDF, 14.04.2026
Руководство по эксплуатации Ридан РПТО
1.7 МБ, PDF, 14.04.2026
Каталог Ридан РПТО
2.64 МБ, PDF, 14.04.2026

Нужна помощь?

Задайте вопрос — вам ответит наш категорийный менеджер

Здесь пока нет вопросов

Будьте первым, напишите свой вопрос!

Отзывы

Пока отзывов нет