Клапан обратный поворотный фланцевый 19нж76нж
Клапан 19нж76нж предназначен для использования на центральных и индивидуальных тепловых пунктах (ЦТП и ИТП), в системах горячего водоснабжения, системах приточной вентиляции тепличных хозяйств и в других областях народного хозяйства, в качестве запорного устройства.
| Давление номинальное | 1.6 МПа |
| Герметичность затвора | D |
| Тип управления | рабочая среда |
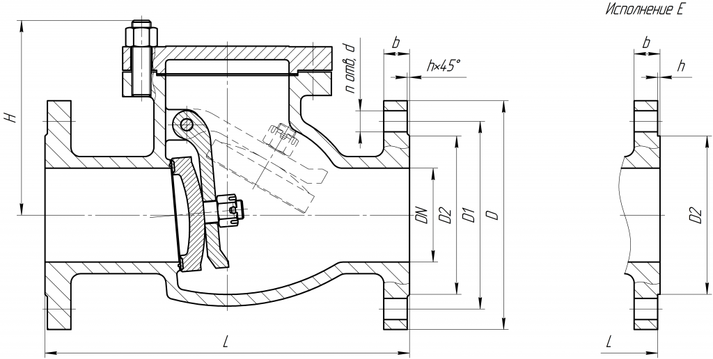
19нж76нж: клапаны обратные поворотные фланцевые
Клапан 19нж76нж предназначен для использования на центральных и индивидуальных тепловых пунктах (ЦТП и ИТП), в системах горячего водоснабжения, системах приточной вентиляции тепличных хозяйств и в других областях народного хозяйства, в качестве запорного устройства.
Срок консервации – 3 года.
Срок службы – не менее 12 лет.
Наработка на отказ – 10 000 часов.
Ключевые преимущества запорной арматуры Авангард
САЗ «Авангард» занимается изготовлением запорной арматуры и предлагает изделия разных видов и типоразмеров. Вся продукция отличается безупречным исполнением и рассчитана на интенсивный режим эксплуатации.
Высокое качество
САЗ «Авангард» предлагает запорную арматуру, которая отличается продолжительным сроком использования, составляющим 10 лет, надежностью конструкции, широким диапазоном допустимого давления транспортируемой среды —1.6 МПа- 6.3 МПа.
Области применения
Представленная в каталоге запорная арматура востребована в различных отраслях. В зависимости от типоразмера она используется в магистральных и распределительных трубопроводах сетей газоснабжения, отопления, водоснабжения; в газопроводах и нефтепроводах; в системах вентиляции тепличных хозяйств; на предприятиях энергетического комплекса; в технологических трубопроводных системах.
Преимущества бренда
Оперативность
Минимальные сроки отгрузки и оперативные консультации по любым вашим вопросам.
Сертификация
Вся продукция сертифицирована и имеет индивидуальный паспорт, руководство по эксплуатации.
Большой опыт
Компания 25 лет производит регулирующую, запорную и предохранительную арматуру для топливно-энергетического комплекса, нефтегазового комплекса, сферы ЖКХ, инженерных систем и технологических процессов различных производств.
Гарантии
Гарантийное и постгарантийное обслуживание в нашем сервисном центре.
Технологии
Мы используем современное оборудование и качественные материалы.
Сборка и испытания
Каждое изделие проходит полный цикл испытаний, промаркирован и пронумерован, что отражено на бирке и в паспорте с голографической наклейкой.
Ассортимент продукции: клапаны обратные поворотные фланцевые
Клапаны КЗ имеют вариации по диаметрам DN,мм: 50, 65, 80, 100, 125, 150, 200
|
Диаметр номинальный DN,мм |
Масса клапана, кг |
| Ду-50 | 13 |
| Ду-65 | 19.2 |
| Ду-80 | 25.8 |
|
Ду-100 |
33.9 |
|
Ду-125 |
47.8 |
|
Ду-150 |
71.3 |
|
Ду-200 |
137 |
Материалы основных деталей
| Наименование детали | Материальное исполнение | ||
|---|---|---|---|
| с | лс | нж | |
| Корпус, крышка | Сталь 25Л ГОСТ977 | Сталь 20ГЛ ГОСТ21357 |
Сталь 12Х18Н9ТЛ ГОСТ977 |
| Шток, тарелка, седло |
Сталь 20Х13 ГОСТ5632 |
Сталь 14Х17Н2 ГОСТ5632 | |
| Уплотнение в затворе |
" металл по металлу" (нж) |
||
| Шпилька, гайка | Сталь 35 ГОСТ1050 | Сталь 20ХН3А ГОСТ4543 | Сталь 14Х17Н2 ГОСТ5632 |
Нужна помощь?
Задайте вопрос — вам ответит наш категорийный менеджер
Здесь пока нет вопросов
Будьте первым, напишите свой вопрос!
Отзывы
Пока отзывов нет