8 (843) 210-14-24 Бесплатный звонок по РФ

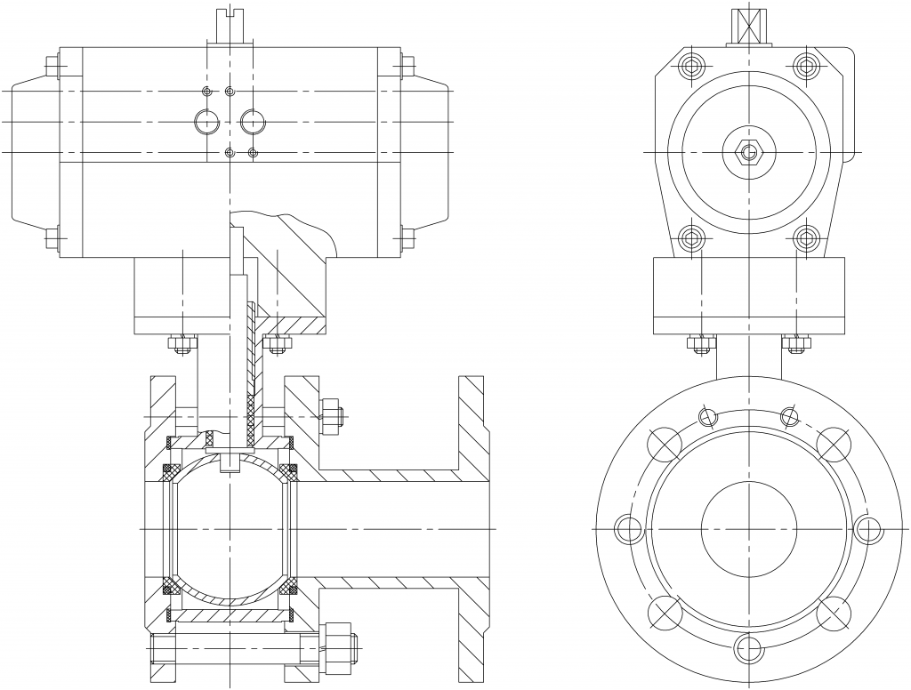
Кран шаровой фланцевый с ПИМ 11с667п (полный проход)

Кран шаровой предназначен для установки в качестве запорного устройства в системах отопления, горячего водоснабжения, приточной вентиляции и в др. областях народного хозяйства. Кран легко разборный, компактный, может устанавливаться на действующих трубопроводах взамен задвижек.
Давление номинальное 1.6 МПа
Температура рабочей среды Т, °С от минус 30 до 180
Температура окружающей среды,°С от минус 25 до 55
Тип ПИМ 82da0010 / CA050D-F03/F05-11
Направление подачи рабочей среды двустороннее
Герметичность затвора без видимых утечек, класс герметичности-А по ГОСТ9544

11с667п: краны шаровые фланцевые (полный проход) с ПИМ

Кран шаровой предназначен для установки в качестве запорного устройства в системах отопления, горячего водоснабжения, приточной вентиляции и в др. областях народного хозяйства. Кран легко разборный, компактный, может устанавливаться на действующих трубопроводах взамен задвижек. Основные преимущества: - низкое гидравлическое сопротивление; - отсутствие застойных зон в корпусе; - высокая герметичность перекрытия потока в любом направлении.

Срок консервации – 3 года.

Срок службы – не менее 10 лет.

Назначенный ресурс – 70 000 часов.

Наработка на отказ – 2000 циклов.

47a19d80b2f5088a8989be09a9339926.png

Ключевые преимущества запорной арматуры Авангард

САЗ «Авангард» занимается изготовлением запорной арматуры и предлагает изделия разных видов и типоразмеров. Вся продукция отличается безупречным исполнением и рассчитана на интенсивный режим эксплуатации.
Высокое качество
САЗ «Авангард» предлагает запорную арматуру, которая отличается продолжительным сроком использования, составляющим 10 лет, надежностью конструкции, широким диапазоном допустимого давления транспортируемой среды —1.6 МПа- 6.3 МПа.
Области применения
Представленная в каталоге запорная арматура востребована в различных отраслях. В зависимости от типоразмера она используется в магистральных и распределительных трубопроводах сетей газоснабжения, отопления, водоснабжения; в газопроводах и нефтепроводах; в системах вентиляции тепличных хозяйств; на предприятиях энергетического комплекса; в технологических трубопроводных системах.

Преимущества бренда

Оперативность
Минимальные сроки отгрузки и оперативные консультации по любым вашим вопросам.
Сертификация
Вся продукция сертифицирована и имеет индивидуальный паспорт, руководство по эксплуатации.
Большой опыт
Компания 25 лет производит регулирующую, запорную и предохранительную арматуру для топливно-энергетического комплекса, нефтегазового комплекса, сферы ЖКХ, инженерных систем и технологических процессов различных производств.
Гарантии
Гарантийное и постгарантийное обслуживание в нашем сервисном центре.
Технологии
Мы используем современное оборудование и качественные материалы.
Сборка и испытания
Каждое изделие проходит полный цикл испытаний, промаркирован и пронумерован, что отражено на бирке и в паспорте с голографической наклейкой.

Ассортимент продукции: краны шаровые фланцевые (полный проход) c ПИМ

Краны шаровые с ПИМ имеют вариации по диаметрам DN,мм: 10, 15, 20, 25, 40, 50, 65, 80, 100, 125, 150, 200, 250, 300, 350, 450. 

Диаметр номинальный DN,мм
Масса клапана, кг
Ду-10 2.25
Ду-15 2.15
Ду-20 2.95

 Ду-25

4.25

 Ду-40

7.5

Ду-50

10

Ду-65

10

Ду-80

14

Ду-100

15

Ду-125

21.90

Ду-150

34.5

Ду-200

46.9

Ду-250

142

Ду-300

333

Ду-350

730

Ду-400

970


Материалы основных деталей

Наименование детали Марка материала
Корпус Ст 3, Сталь 20 ГОСТ1050
Шар Сталь 12Х18Н10Т ГОСТ5632
Шток Сталь 20Х13 ГОСТ5632
Прокладка Паронит ПОН-Б ГОСТ481
Седло\
уплотнение сальниковое
Фторопласт-4 ГОСТ10007

Нужна помощь?

Задайте вопрос — вам ответит наш категорийный менеджер

Здесь пока нет вопросов

Будьте первым, напишите свой вопрос!

Отзывы

Пока отзывов нет