Шиберно-ножевая задвижка с маховиком VAG - DN 250 PN 10
Шиберные ножевые запорные устройства разработаны для функционирования в экстремальных условиях и, как правило, оснащены острым лезвием, что позволяет эффективно перекрывать потоки вязких и тягучих жидкостей. Чаще всего их используют в системах, связанных с отводом сточных вод, где коррозионные процессы представляют собой значительную проблему.
| Корпус, опорная пластина, давящая часть | Высокопрочный чугун с шаровидным графитом EN-GJS-400-15 (GGG-40) |
| Запорный элемент | Нержавеющая сталь А2 |
| Уплотнения | NBR |
| Шпиндель | Нерж. сталь 1.4057 |
| Шпиндельная гайка | Латунь |
| Крепёж | Нерж. сталь А2 (DIN EN ISO 3506) |
| Бугель | Нерж. сталь А2 |
Особенности и преимущества продукции:
- Строительная длина по EN 558-1, ряд 20
- С фланцевым соединением по EN 1092-2, рассверловка PN 10
- Фланцевая арматура, монтируемая между фланцами трубопровода
- Полный фланец, свободный проход
- Герметичность в обоих направлениях движения потока: U-образное уплотнение в проходе гарантирует полное перекрытие потока среды в т.ч. со взвешенными частицами или примесями
- Скребковый профиль для очистки запорного элемента с обеих сторон при каждом цикле открытия-закрытия
- Невыдвижной шпиндель
- С маховиком
Материал:
- Корпус, опорная пластина, давящая часть: Высокопрочный чугун с шаровидным графитом EN-GJS-400-15 (GGG-40)
- Запорный элемент: Нержавеющая сталь А2
- Уплотнение: NBR
- Шпиндель: Нерж. сталь 1.4057
- Шпиндельная гайка: Латунь
- Бугель: Нерж. сталь А2
- Крепёж: Нерж. сталь А2 (DIN EN ISO 3506)
Защита от коррозии:
- Детали из ВЧШГ: Высококачественное эпоксидное покрытие не менее 250 мкм
Испытания и сертификация:
- Выходной контроль по EN 12266
- Испытано и зарегистрировано WRAS
- Разрешение ACS для питьевой воды
Область применения:
- Колодезная установка
- Установка в сооружении
- Канализационные сооружения
Испытания и сертификация:
- Выходной контроль по EN 12266
Примечание:
Для надлежащей установки и безопасной эксплуатации соблюдайте требования инструкции по монтажу и эксплуатации продукта.
Преимущества бренда
Высокопрочный чугун GGG-40
Надежная конструкция из высококачественных современных материалов, таких как высокопрочный чугун с шаровидным графитом GGG-40, позволяют устанавливать арматуру VAG на открытых участках трубопровода в условиях низких температур окружающего воздуха -40 град по цельсию.
Бесколодезная установка
Бесколодезная установка и отсутствие необходимости постоянного сервисного обслуживания являются базовыми опциями арматуры VAG.
Низкое сопротивление, экономия энергии
Минимальное гидравлическое сопротивление и низкие крутящие моменты позволяют использовать менее мощные и более энергоэффективные электроприводы.
Проходит по стандартам DVGW и GSK
Защита от коррозии и антибактериальные свойства защитного покрытия для питьевой воды подтверждены международными стандартами DVGW и GSK.
Надежность
Высокий ресурс безотказной работы при сроке службы не менее 50 лет позволяет использовать ТПА VAG на самых "нагруженных" участках трубопроводной системы.
Широкий диапазон типоразмеров
Большой типоразмерный ряд DN от 40 до 4000 мм и PN от 10 до 40 атм.
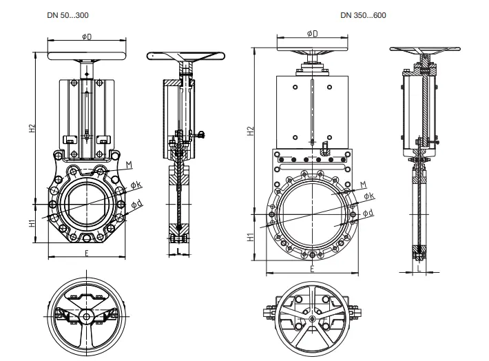
Технические параметры
| DN | PN | L | E | H1 | H2 | ØD | M | Øk | Ød | масса, кг | оборот/ход | ~закр. Момент, Нм |
| 50 | 10 | 43 | 136 | 70 | 306 | 200 | 4xM16 | 125 | - | 7 | 12,5 | 20 |
| 65 | 10 | 46 | 156 | 80 | 332 | 200 | 4xM16 | 145 | - | 2,5 | 16,25 | 25 |
| 80 | 10 | 46 | 178 | 90 | 355 | 200 | 4xM16 | 160 | 4x Ø19 | 10 | 20 | 25 |
| 100 | 10 | 52 | 196 | 100 | 388 | 200 | 4xM16 | 180 | 4x Ø19 | 12,5 | 25 | 30 |
| 125 | 10 | 56 | 224 | 115 | 427 | 250 | 4xM16 | 210 | 4x Ø19 | 17,5 | 31,25 | 30 |
| 150 | 10 | 56 | 260 | 130 | 485 | 250 | 4xM20 | 240 | 4x Ø23 | 22 | 30 | 35 |
| 200 | 10 | 60 | 317 | 160 | 590 | 300 | 4xM20 | 295 | 4x Ø23 | 33,5 | 40 | 35 |
| 250 | 10 | 68 | 382 | 200 | 695 | 300 | 8xM20 | 350 | 4x Ø23 | 51 | 50 | 40 |
| 300 | 10 | 78 | 430 | 225 | 790 | 400 | 8xM20 | 400 | 4x Ø23 | 69,5 | 60 | 50 |
| 350 | 8 | 78 | 520 | 260 | 970 | 400 | 12xM20 | 460 | 4x Ø23 | 109 | 70 | 100 |
| 400 | 8 | 102 | 580 | 290 | 1090 | 400 | 12xM24 | 515 | 4x Ø29 | 155 | 67 | 125 |
| 500 | 6 | 127 | 715 | 360 | 1280 | 500 | 16xM24 | 620 | 4x Ø29 | 257 | 83 | 135 |
| 600 | 6 | 154 | 780 | 390 | 1475 | 500 | 16xM27 | 725 | 4x Ø32 | 328 | 100 | 155 |
Допустимые параметры режима эксплуатации. Испытательное давление по EN 12266
| DN | PN | Макс. допустимое рабочее давление, бар | Макс. допустимая рабочая температура нейтр. жидкости, °С | Испытательное давление в корпусе с водой, бар | Испытательное давление при закрытии с водой, бар |
| 50...300 | 10 | 10 | 70 | 15 | 11 |
| 350...400 | 8 | 8 | 70 | 12 | 8,8 |
| 500...600 | 6 | 6 | 70 | 9 | 6,6 |
Шиберная задвижка VAG
0.24 МБ,
PDF,
14.04.2026
Нужна помощь?
Задайте вопрос — вам ответит наш категорийный менеджер
Здесь пока нет вопросов
Будьте первым, напишите свой вопрос!
Отзывы
Пока отзывов нет